探索单相PWM整流逆变仿真:从理论到代码实践
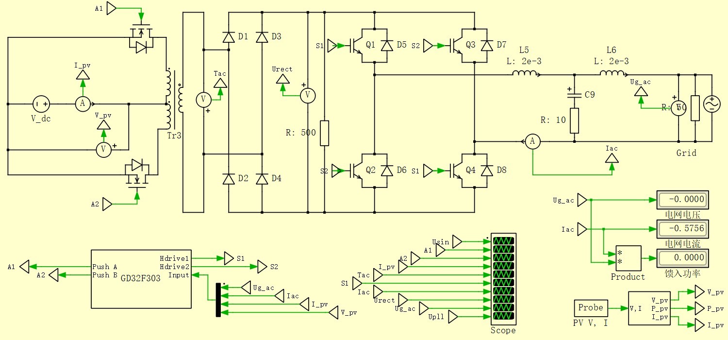
单相PWM整流逆变仿真 单相PWM整流逆变、利用经典的H桥拓扑结构、采用二阶广义积分PLL锁相有效的抗击电网扰动、具有效率高,C语言编程、SPWM和三角载波比较发波原理、软件死区插入。 本模型能让学习者深刻理解电网电压、电感电压与逆变电压三者之间的三角关系,充分感悟矢量之间的精髓,为开发类似产品提供理论基础、为工程师将来软件硬件能力提升提供学习平台。
在电力电子领域,单相PWM整流逆变技术一直是研究与应用的热点。今天咱们就来深入聊聊基于经典H桥拓扑结构的单相PWM整流逆变仿真,顺便用C语言代码来展示其中的关键实现。
一、H桥拓扑结构与基本原理
经典的H桥拓扑结构是实现单相PWM整流逆变的核心架构。简单理解,H桥由四个功率开关管组成,通过控制这些开关管的导通与关断,可以实现电能在交流与直流之间的双向转换。想象一下,这就像一个交通枢纽,通过巧妙的“指挥”(开关管控制),让电流按照我们期望的方向和方式流动。
二、二阶广义积分PLL锁相:电网扰动的“克星”
在实际电网环境中,电压波动等扰动是不可避免的。这时候,二阶广义积分PLL锁相技术就派上用场了。它能有效抗击电网扰动,准确地锁定电网电压的相位和频率。

单相PWM整流逆变仿真 单相PWM整流逆变、利用经典的H桥拓扑结构、采用二阶广义积分PLL锁相有效的抗击电网扰动、具有效率高,C语言编程、SPWM和三角载波比较发波原理、软件死区插入。 本模型能让学习者深刻理解电网电压、电感电压与逆变电压三者之间的三角关系,充分感悟矢量之间的精髓,为开发类似产品提供理论基础、为工程师将来软件硬件能力提升提供学习平台。
以下是一段简化的C语言代码示例,展示如何实现一个简单的锁相环控制(仅为示意,实际应用会复杂得多):
// 定义变量
float kp = 0.1; // 比例系数
float ki = 0.01; // 积分系数
float error;
float integral = 0;
float omega; // 角频率
// 假设获取到的电网电压值
float grid_voltage = get_grid_voltage();
float reference_voltage = 1.0; // 参考电压
// 计算误差
error = reference_voltage - grid_voltage;
// 积分项更新
integral += error;
// 计算角频率
omega = kp * error + ki * integral;
这段代码通过计算电网电压与参考电压的误差,并利用比例积分控制来更新角频率,从而实现对电网相位和频率的跟踪。虽然简单,但能体现基本的控制思路。
三、SPWM和三角载波比较发波原理
SPWM(正弦脉宽调制)和三角载波比较发波是生成PWM信号的关键方法。简单说,就是将正弦波与三角波进行比较,当正弦波大于三角波时,对应的开关管导通;反之则关断。这样就可以得到一系列宽度按正弦规律变化的脉冲,从而实现对逆变电压的控制。
// 定义三角载波频率和幅值
float triangle_freq = 1000.0;
float triangle_amplitude = 1.0;
// 定义正弦波频率和幅值
float sine_freq = 50.0;
float sine_amplitude = 0.8;
// 获取当前时间
float time = get_current_time();
// 计算三角波值
float triangle_wave = triangle_amplitude * (2.0 * fmod(time * triangle_freq, 1.0) - 1.0);
// 计算正弦波值
float sine_wave = sine_amplitude * sin(2.0 * M_PI * sine_freq * time);
// 比较生成PWM信号
int pwm_signal = (sine_wave > triangle_wave)? 1 : 0;
这段代码根据设定的频率和幅值,分别生成三角波和正弦波,并通过比较两者得到PWM信号。
四、软件死区插入
为了防止H桥上下桥臂直通(这可是很危险的,可能会烧毁电路),软件死区插入是必不可少的。简单来讲,就是在上下桥臂开关管切换时,故意设置一段短暂的时间,让两个开关管都处于关断状态。
// 假设开关管控制信号
int upper_switch = 1;
int lower_switch = 0;
// 死区时间
float dead_time = 0.00001;
// 插入死区
if (upper_switch == 1 && lower_switch == 0) {
// 先关闭上桥臂
upper_switch = 0;
// 延时死区时间
delay(dead_time);
// 打开下桥臂
lower_switch = 1;
}
这段代码展示了如何在开关管状态切换时插入死区时间,保证电路安全运行。
五、模型的意义与价值
这个单相PWM整流逆变模型可不简单。它能让学习者深刻理解电网电压、电感电压与逆变电压三者之间的三角关系,就像解开一道神秘的谜题,充分感悟矢量之间的精髓。对于工程师来说,更是一个提升软件硬件能力的绝佳学习平台,为将来开发类似产品奠定坚实的理论基础。无论是深入研究电力电子技术,还是进行实际产品开发,这个模型都有着不可忽视的价值。

希望通过今天的分享,能让大家对单相PWM整流逆变仿真有更深入的了解,也欢迎一起探讨交流,在电力电子的世界里共同进步!
AtomGit 是由开放原子开源基金会联合 CSDN 等生态伙伴共同推出的新一代开源与人工智能协作平台。平台坚持“开放、中立、公益”的理念,把代码托管、模型共享、数据集托管、智能体开发体验和算力服务整合在一起,为开发者提供从开发、训练到部署的一站式体验。
更多推荐


所有评论(0)