Cruise增程混动仿真模型:探索串联混动的动力与经济奥秘
cruise软件模型,串联混动ECMS,cruise增程混动仿真模型,A-ECMS控制策略,Cruise混动仿真模型,串联混动汽车动力性经济性仿真。 关于模型 1.本模型是基于增程混动架构搭建的cruise仿真模型,串联混动架构,实现简易的A-ECMS控制,可用于相关策略开发及课题研究。 2.模型是基于cruise/simulink搭建的base模型,策略模型基于MATLAB/Simulink平台搭建完成,通过C++编译器编译成dll文件给CRUISE引用,实现联合仿真。 3.尽可能详细的描写了策略说明,大约14页左右,主要解释策略搭建逻辑及各模式间的转换。 4.模型主要供学习使用,不同的车型控制策略必然不同,请不要抱着买来即用的态度购买,具体车型仿真任务请根据需求自行变更模型,或联系模型定制。 5.使用模型前请确保有相应软件基础,卖的是模型,不是软件教程。 关于模型策略问题可以适当交流,但不做软件保姆式教学。 6.模型由“王浮生不怕生”搭建,购买模型提供五天文字,盗版用户不提供,找谁买的问谁去。 7.出售文件包含:cruise模型、simulink策略模型、策略说明文档。 8.DLL文件使用64位编译器编译,如出现无策略文件提示,请在模型界面选择“options→layout→platform→WIN64”;如仍不能运行,请检查模型目录是否存在中文 字符。

在混动汽车领域,Cruise软件模型为我们提供了强大的仿真能力,今天就来聊聊基于增程混动架构搭建的Cruise仿真模型,特别是其中涉及的串联混动ECMS以及A - ECMS控制策略等关键内容。
一、Cruise增程混动仿真模型架构
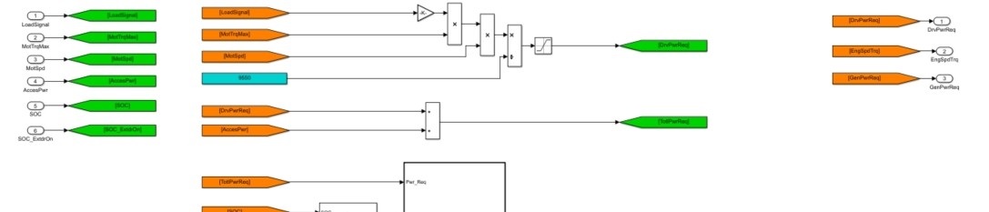
这个模型是基于增程混动架构搭建的,增程式混动架构大家应该都不陌生,它通过发动机发电,然后电能驱动车辆行驶,这种架构为实现更高效的动力输出和更好的经济性提供了可能。

基于Cruise/Simulink搭建的base模型,是整个仿真的基础框架。其中策略模型基于MATLAB/Simulink平台搭建完成,之后通过C++编译器编译成dll文件供CRUISE引用,从而实现联合仿真。这里简单说下代码实现思路(以下代码为示意,非完整可运行代码):
// 在C++编译器编译成dll文件相关代码示意
#include <iostream>
// 假设这里定义一些与策略相关的函数和变量
// 比如定义一个计算能量分配的函数
double calculateEnergyAllocation(double powerDemand, double batteryState) {
// 根据A - ECMS策略逻辑进行计算
if (powerDemand > batteryState * 0.8) {
// 如果需求功率大于电池电量80%对应的功率
return powerDemand - batteryState * 0.8; // 表示需要发动机发电补充
} else {
return 0; // 电池电量足以满足需求,发动机不工作
}
}
这段代码简单模拟了在A - ECMS控制策略下,根据功率需求和电池状态来计算能量分配,决定发动机是否需要发电补充能量。实际的代码会复杂很多,要考虑各种工况和边界条件。
二、A - ECMS控制策略详解
这个模型实现了简易的A - ECMS控制策略,这对于串联混动的策略开发和课题研究非常有价值。关于这个策略,模型中有大约14页的详细说明,主要解释策略搭建逻辑及各模式间的转换。

比如在串联混动模式下,车辆的驱动完全依赖电机,发动机只负责发电。当电池电量充足且功率需求较低时,车辆以纯电模式运行,此时发动机不启动。而当电池电量下降到一定程度或者功率需求突然增大,发动机就会启动发电,为电机供电同时给电池充电。这种模式转换的逻辑在策略说明文档中有详细描述。

这里简单说下在Simulink中搭建策略模型的一些关键模块(同样为示意):


cruise软件模型,串联混动ECMS,cruise增程混动仿真模型,A-ECMS控制策略,Cruise混动仿真模型,串联混动汽车动力性经济性仿真。 关于模型 1.本模型是基于增程混动架构搭建的cruise仿真模型,串联混动架构,实现简易的A-ECMS控制,可用于相关策略开发及课题研究。 2.模型是基于cruise/simulink搭建的base模型,策略模型基于MATLAB/Simulink平台搭建完成,通过C++编译器编译成dll文件给CRUISE引用,实现联合仿真。 3.尽可能详细的描写了策略说明,大约14页左右,主要解释策略搭建逻辑及各模式间的转换。 4.模型主要供学习使用,不同的车型控制策略必然不同,请不要抱着买来即用的态度购买,具体车型仿真任务请根据需求自行变更模型,或联系模型定制。 5.使用模型前请确保有相应软件基础,卖的是模型,不是软件教程。 关于模型策略问题可以适当交流,但不做软件保姆式教学。 6.模型由“王浮生不怕生”搭建,购买模型提供五天文字,盗版用户不提供,找谁买的问谁去。 7.出售文件包含:cruise模型、simulink策略模型、策略说明文档。 8.DLL文件使用64位编译器编译,如出现无策略文件提示,请在模型界面选择“options→layout→platform→WIN64”;如仍不能运行,请检查模型目录是否存在中文 字符。

可以看到,有功率需求计算模块、电池状态监测模块等,这些模块相互配合,按照A - ECMS策略逻辑实现对车辆动力系统的控制。
三、模型的使用注意事项与适用范围
这个模型主要供学习使用,因为不同的车型控制策略必然不同,大家不要抱着买来即用的态度购买。如果有具体车型的仿真任务,需要根据需求自行变更模型,或者联系模型定制。

使用模型前,请确保自己有相应的软件基础,毕竟卖的是模型,不是软件教程。关于模型策略问题可以适当交流,但不会做软件保姆式教学。

模型由“王浮生不怕生”搭建,购买模型会提供五天文字支持,盗版用户可就没有这个待遇啦,找谁买的就问谁去。
出售文件包含Cruise模型、Simulink策略模型、策略说明文档。值得一提的是,DLL文件使用64位编译器编译,如果出现无策略文件提示,需要在模型界面选择“options→layout→platform→WIN64”;要是这样还不能运行,那就得检查模型目录是否存在中文字符,这一点很容易被忽略,但可能就是导致模型无法正常运行的关键因素。
总之,这个Cruise增程混动仿真模型,从架构搭建到策略实现,都为我们研究串联混动汽车动力性经济性仿真提供了很好的平台,合理利用它,相信能在混动汽车研究领域取得不少收获。
AtomGit 是由开放原子开源基金会联合 CSDN 等生态伙伴共同推出的新一代开源与人工智能协作平台。平台坚持“开放、中立、公益”的理念,把代码托管、模型共享、数据集托管、智能体开发体验和算力服务整合在一起,为开发者提供从开发、训练到部署的一站式体验。
更多推荐



所有评论(0)