多电压等级直流微电网母线电压控制研究漫谈
多电压等级直流微店网母线电压控制研究 1、高频隔离DC/DC变换器模型(DAB-双有源全桥),基于MATLAB/Simulink建模仿真。 电压电流双闭环控制,功率双向流动,ZVS软开关。 2、buck boost双向变换器 3、DAB 在输入端加入储能电池控制 4、单移相,三移相等控制 5、储能和dab充放电配合 6、硕士毕业大论文 word版本 包含大量公式,visio图片可以直接修改使用。 仿真模型使用MATLAB 搭建,仅用于学习交流使用。

在多电压等级直流微电网的研究领域,母线电压的有效控制至关重要。今天就和大家聊聊其中涉及到的一些关键技术和我的一些实践感悟。
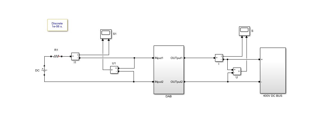
高频隔离DC/DC变换器模型(DAB - 双有源全桥)
DAB变换器是整个研究的核心部件之一,它基于MATLAB/Simulink建模仿真,具有电压电流双闭环控制、功率双向流动以及ZVS软开关等优势。
电压电流双闭环控制
% 假设这里是构建双闭环控制的部分代码框架
% 电压环参数
kp_v = 0.5;
ki_v = 0.1;
% 电流环参数
kp_i = 0.2;
ki_i = 0.05;
% 电压反馈
v_fb = measured_voltage;
% 电流反馈
i_fb = measured_current;
% 电压环计算
error_v = reference_voltage - v_fb;
integral_v = integral_v + error_v * dt;
v_control = kp_v * error_v + ki_v * integral_v;
% 电流环计算
error_i = v_control - i_fb;
integral_i = integral_i + error_i * dt;
i_control = kp_i * error_i + ki_i * integral_i;
在这段代码中,我们先设定了电压环和电流环的比例积分参数。通过获取测量到的电压和电流,分别计算电压误差和电流误差。电压环通过对误差进行比例积分运算,得到一个控制量,这个控制量又作为电流环的参考值。电流环同样对误差进行比例积分运算,最终得到用于控制变换器的控制量。这样的双闭环结构可以有效地稳定输出电压和电流。
功率双向流动与ZVS软开关
功率双向流动使得DAB变换器能够在不同的工况下灵活运行,比如在储能系统中,既能实现电池的充电,又能实现电池的放电。而ZVS软开关技术则大大降低了开关损耗。在Simulink模型搭建时,需要精心设置各个模块参数来实现这些特性。
Buck - Boost双向变换器
Buck - Boost双向变换器也是直流微电网中的重要角色。它能够灵活地调节输出电压,实现升压和降压功能。
% 假设这是Buck - Boost变换器的简单控制代码示例
if (input_voltage > output_voltage_desired)
% Buck模式
duty_cycle = output_voltage_desired / input_voltage;
else
% Boost模式
duty_cycle = 1 - input_voltage / output_voltage_desired;
end
这段代码根据输入电压和期望输出电压的比较,来决定工作在Buck模式还是Boost模式,并计算相应的占空比。
DAB在输入端加入储能电池控制
在DAB输入端加入储能电池控制,可以增强系统的稳定性和可靠性。
% 假设这是储能电池与DAB连接控制代码
% 检测DAB输入功率需求
power_demand = calculate_power_demand();
if (power_demand > battery_power_limit)
% 电池放电
battery_discharge();
elseif (power_demand < -battery_power_limit)
% 电池充电
battery_charge();
end
通过检测DAB的输入功率需求,当需求大于电池允许的放电功率限制时,电池放电;当需求小于负的充电功率限制时,电池充电,以此来协调电池与DAB的工作。
单移相,三移相等控制
单移相和三移相控制是调节DAB变换器功率传输的有效手段。
单移相控制
在单移相控制中,通过调节原副边全桥之间的移相角来控制功率传输。
% 单移相控制移相角计算
phase_shift = calculate_phase_shift(power_reference);
这里根据功率参考值计算移相角,进而控制功率的大小。
三移相控制
三移相控制相比单移相控制更加复杂,但能够实现更精确的功率控制和软开关范围扩展。
% 三移相控制三个移相角计算
alpha1 = calculate_alpha1(power_reference);
alpha2 = calculate_alpha2(power_reference);
alpha3 = calculate_alpha3(power_reference);
分别计算三个移相角,以实现更灵活的功率调节。
储能和DAB充放电配合
储能和DAB的充放电配合是确保直流微电网稳定运行的关键。在实际运行中,需要根据电网的功率需求、储能电池的SOC(State of Charge)等因素来动态调整DAB和储能的工作状态。
% 根据SOC和功率需求调整充放电
soc = get_battery_soc();
power_demand = calculate_power_demand();
if (soc < soc_low_limit && power_demand < 0)
% 电池充电
battery_charge();
elseif (soc > soc_high_limit && power_demand > 0)
% 电池放电限制
limit_battery_discharge();
else
% 正常充放电
normal_charge_discharge();
end
根据电池的SOC和电网功率需求来合理安排电池的充放电行为,确保系统的稳定运行。

多电压等级直流微店网母线电压控制研究 1、高频隔离DC/DC变换器模型(DAB-双有源全桥),基于MATLAB/Simulink建模仿真。 电压电流双闭环控制,功率双向流动,ZVS软开关。 2、buck boost双向变换器 3、DAB 在输入端加入储能电池控制 4、单移相,三移相等控制 5、储能和dab充放电配合 6、硕士毕业大论文 word版本 包含大量公式,visio图片可以直接修改使用。 仿真模型使用MATLAB 搭建,仅用于学习交流使用。

最后,我的硕士毕业大论文是以word版本呈现的,里面包含了大量公式,并且visio图片都可以直接修改使用。整个仿真模型是使用MATLAB搭建的,这些成果仅用于学习交流使用,希望能给对多电压等级直流微电网母线电压控制感兴趣的朋友一些启发。

AtomGit 是由开放原子开源基金会联合 CSDN 等生态伙伴共同推出的新一代开源与人工智能协作平台。平台坚持“开放、中立、公益”的理念,把代码托管、模型共享、数据集托管、智能体开发体验和算力服务整合在一起,为开发者提供从开发、训练到部署的一站式体验。
更多推荐



所有评论(0)