基于MATLAB/Simulink的光伏逆变器仿真模型搭建与探索
光伏逆变器仿真模型,boost加NPC拓扑结构,基于MATLAB/Simulink建模仿真。 具备中点平衡SVPWM控制,正负序分离控制,可以进行功率调度仿真。 仿真模型使用MATLAB 2017b搭建

在光伏领域,逆变器作为将直流电转换为交流电的关键设备,其性能直接影响光伏发电系统的效率和稳定性。今天就和大家聊聊基于MATLAB/Simulink搭建的光伏逆变器仿真模型,它采用boost加NPC拓扑结构,这可是个很有意思的组合。
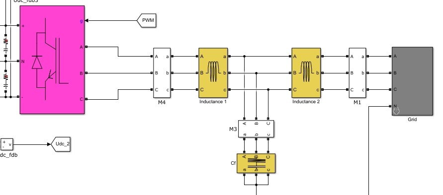
一、拓扑结构:boost加NPC
1. boost电路
boost电路的作用是将光伏电池输出的较低电压提升到合适的直流母线电压,以便后续逆变为交流电。在MATLAB/Simulink里搭建boost电路,核心模块如下:
% 定义boost电路参数
Vin = 100; % 输入电压,模拟光伏电池输出电压
L = 1e - 3; % 电感值
C = 100e - 6; % 电容值
R = 100; % 负载电阻
D = 0.5; % 占空比
% 状态空间方程
A = [ - R / L, 1 / L; - 1 / C, - 1 / (R * C) ];
B = [ Vin / L; 0 ];
C = [ 1, 0 ];
D = [ 0 ];
sys = ss(A, B, C, D);
这段代码首先定义了boost电路的关键参数,如输入电压、电感、电容、负载电阻和占空比。然后基于这些参数构建状态空间方程,通过ss函数得到系统模型。这里的占空比D是控制boost电路输出电压的关键变量,改变它的值就能调整输出电压大小。
2. NPC拓扑
NPC(Neutral Point Clamped)拓扑即中点箝位型拓扑,它能有效降低开关器件的电压应力,提高逆变器输出电能质量。搭建NPC拓扑需要多个电力电子开关器件以及电容、电感等元件。在Simulink里,我们通过调用相关电力系统模块库来构建:


光伏逆变器仿真模型,boost加NPC拓扑结构,基于MATLAB/Simulink建模仿真。 具备中点平衡SVPWM控制,正负序分离控制,可以进行功率调度仿真。 仿真模型使用MATLAB 2017b搭建

NPC拓扑的关键在于中点电位的控制,这也是实现高质量电能输出的要点。
二、控制策略:中点平衡SVPWM与正负序分离控制
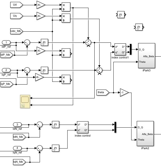
1. 中点平衡SVPWM控制
SVPWM(Space Vector Pulse Width Modulation)即空间矢量脉宽调制,在NPC拓扑中实现中点平衡是关键。代码实现的大致思路如下:
% 定义NPC逆变器参数
Vdc = 800; % 直流母线电压
N = 50; % 采样点数
% 生成参考电压矢量
Vref = [Vref_alpha; Vref_beta];
% SVPWM算法
for k = 1:N
% 计算扇区
sector = find_sector(Vref(:, k));
% 计算开关时间
[T1, T2, T0] = calculate_times(Vref(:, k), sector, Vdc);
% 生成PWM信号
pwm_signals = generate_pwm(T1, T2, T0, sector);
end
这段代码首先定义了NPC逆变器的直流母线电压等参数,接着在循环中,通过findsector函数确定参考电压矢量所在扇区,再用calculatetimes计算每个基本电压矢量的作用时间,最后由generate_pwm生成PWM信号。通过合理调整这些时间,就能实现中点电位的平衡,保证逆变器稳定运行。
2. 正负序分离控制
在实际电网环境中,电压可能存在不平衡情况,正负序分离控制能有效应对这一问题。其原理是将三相电压电流信号分解为正序和负序分量,分别进行控制。
% 假设abc三相电压信号
Vabc = [Va; Vb; Vc];
% 克拉克变换
Valpha_beta = clarke_transform(Vabc);
% 正负序分离
[Valpha_beta_pos, Valpha_beta_neg] = sequence_separation(Valpha_beta);
这里先对三相电压信号进行克拉克变换,将三相静止坐标系转换为两相静止坐标系,再通过sequence_separation函数实现正负序分离。分离后的正序和负序分量可以分别进行PI调节等控制操作,以实现对不平衡电压的有效补偿。
三、功率调度仿真
功率调度仿真是验证该光伏逆变器能否在不同工况下合理分配功率的重要环节。在MATLAB/Simulink中,可以通过设置不同的输入条件,如光照强度、温度等模拟光伏电池不同的输出功率,然后观察逆变器如何将功率合理地调度到电网中。
% 模拟光照强度变化
irradiance = [1000; 800; 600]; % 不同时刻光照强度
for i = 1:length(irradiance)
% 根据光照强度计算光伏电池输出功率
Ppv = calculate_Ppv(irradiance(i));
% 逆变器功率调度
Pgrid = power_scheduling(Ppv);
% 记录功率数据
power_data(i, :) = [Ppv, Pgrid];
end
这段代码通过改变光照强度模拟不同工况,calculatePpv函数根据光照强度计算光伏电池输出功率,powerscheduling函数负责逆变器的功率调度,将光伏电池输出功率合理分配到电网,power_data记录了不同工况下的功率数据,方便后续分析逆变器的功率调度性能。
整个基于MATLAB 2017b搭建的光伏逆变器仿真模型,通过上述拓扑结构和控制策略的组合,以及功率调度仿真的验证,为研究光伏逆变器性能提供了一个有效的平台。无论是对光伏系统的设计优化,还是对电力电子控制技术的深入理解,都具有重要意义。希望这篇博文能给同样在研究相关领域的小伙伴们一些启发。
AtomGit 是由开放原子开源基金会联合 CSDN 等生态伙伴共同推出的新一代开源与人工智能协作平台。平台坚持“开放、中立、公益”的理念,把代码托管、模型共享、数据集托管、智能体开发体验和算力服务整合在一起,为开发者提供从开发、训练到部署的一站式体验。
更多推荐



所有评论(0)