低通滤波器计算截止评率_电容基础5——RC低通滤波器和RC高通滤波器
经过前文的介绍,我们已经知道电容的阻抗和信号频率有关,不同频率信号的输入下可以得到不同的阻抗。利用这个特点,可以设计滤波器。
最基础的滤波器是由电阻和电容构建的RC滤波器,有低通和高通滤波器之分,RC滤波器的截止频率的计算公式为:F(cutoff) = 1 / (2πRC)。截止频率,就是滤波器频率响应出现拐点的频率。
一、RC低通滤波器
构建RC低通滤波器电路如下,输出信号接在电容两端:
设想电路中电阻为10KΩ,电容为10nF,套用上述公式,得出截止频率为1592Hz,为方便讨论,取整为1600Hz。
我们来看,当输入信号的振幅为1V,频率分别为100Hz、1.6KHz、16KHz情况下,输出信号的变化。其中,蓝色波形代表输入信号、黄色波形代表电阻两端信号、绿色波形代表电容两端信号(即,输出信号):
可以看到,当输入信号频率较小的时候(100Hz),输出信号接近于输入信号,振幅几乎没有变弱(蓝绿波形重叠);当输入信号频率为截止频率的时候(1.6KHz),输出信号大约在0.7V;当输入信号频率远大于截止频率的时候(16KHz),输出信号变得非常弱,主要能耗都在电阻上(蓝黄波形重叠)。由此,实现对不同频率信号的滤波。
如果是一个理想的低通滤波器,滤波器的频率响应在截止频率上应该是非常陡峭的,在小于截止频率的时候,输出信号和输入信号一样;在大于截止频率的时候,输出信号为0:
但现实中是做不到的,我们简单的RC低通滤波器的频率响应实际是下面这样的:
对于RC低通滤波器,在小于截止频率的时候,频率响应几乎是平坦的,表示输出和输入信号变化不大;在截止频率的时候,输出信号振幅下降为输入信号振幅的70.7%(下降29.3%,也称为3dB),表示频率响应出现拐点,输出信号对比输入信号开始有明显下降;在大于截止频率的时候,输出信号随着频率增加进一步剧烈下降。
3dB的衰减,用在单一的电压或者电流指标上,表示下降29.3%,大约为原来信号的70%;而用在功率指标上,习惯性表示为下降至原来的一半。这也很好理解,功率=电压×电流,两个3dB的衰减相乘即为~50%。
有一点注意:滤波器在衰减信号幅度的时候,也伴随着相位的改变,注意看图3中,输出信号和输入信号的相位有差异。
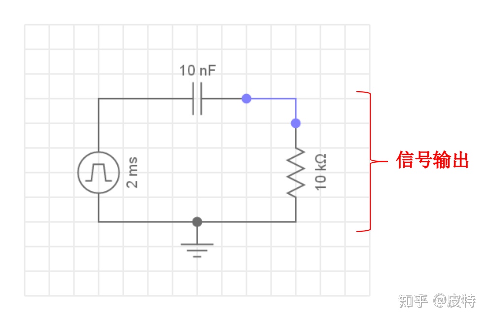
二、RC高通滤波器
理解了RC低通滤波器之后,我们来看RC高通滤波器,电路如下,输出信号接在电阻两端:
可以想象高通滤波器的频率响应,与低通滤波器呈镜像关系:
特别的,对于DC直流信号,当电容充满电后,电容电压等于输入信号电压,电路呈现开路状态。所以电容有“隔直流通交流”的说法。
以下我们使用周期性方波作为信号源,相比于单一频率的正弦波,方波中包含了很多频率的分量,将其通过RC高通滤波器,看一下输出信号的状态。蓝色波形代表输入信号、黄色波形代表电容两端信号、绿色波形代表电阻两端信号(即,输出信号):
有没有和你想象中的一样?
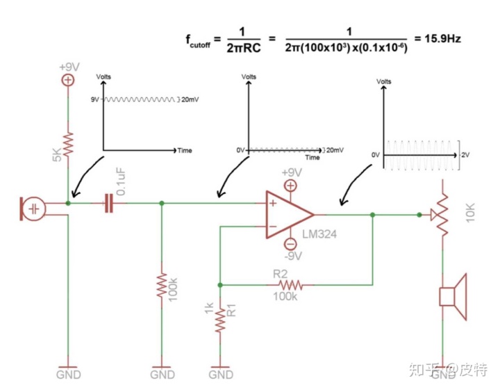
三、应用案例
麦克风咪头输出包含DC直流分量的音频信号,在放大之前,连接一个RC构成的高通滤波器,滤掉15.9Hz以下及直流分量,这样就只放大了我们感兴趣的音频信号,避免非相关信号直接进入后级放大器,以及避免直流分量经过放大造成放大器饱和。
(最近住在乡下,就不做面包板动手实验了,全文完)
我在知乎开设了专栏“疯狂的运放”,为创客们打造的有趣、有用的硬件和电路专栏:
疯狂的运放(运算放大器)zhuanlan.zhihu.com
也可以关注我的微信公众号“CrazyOPA”,及时收到最新的文章推送:
AtomGit 是由开放原子开源基金会联合 CSDN 等生态伙伴共同推出的新一代开源与人工智能协作平台。平台坚持“开放、中立、公益”的理念,把代码托管、模型共享、数据集托管、智能体开发体验和算力服务整合在一起,为开发者提供从开发、训练到部署的一站式体验。
更多推荐


所有评论(0)