RC高通滤波器截止频率公式推导
·
一阶RC高通滤波器

一阶高通滤波器如图所示,输入为Ui,输出为Uo,电容C与电阻R串联,令电容C的容抗为Xc(Xc = 1 / jwC),则传递函数H(jw)为,

H(jw)的模值,|H(jw)|为电压增益,当其下降Sqrt[2]/2(-3dB),此时频率即为截止频率,记作fc,

通过数学软件Mathematica,求得|H(jw)|值,进而求得截止频率fc = 1 / (2 pi R C)。
例,电容C为 1uF,电阻R为 1k,通过计算截止频率为fc约为160Hz,通过Multisim的波特测试仪进行验证,在-3.02dB处,频率约为159Hz,仿真符合理论计算结果

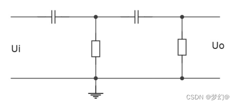
二阶RC高通滤波器

二阶RC高通滤波器如图所示,输入为Ui,输出为Uo,电容C1、C2容值为C,电阻R1、R2阻值为R,令电容容抗为Xc(Xc = 1 / jwC),则传递函数H(jw)为

H(jw)的模值,|H(jw)|为电压增益,当其下降Sqrt[2]/2(-3dB),此时频率即为截止频率,记作fc,

通过数学软件Mathematica,求得|H(jw)|值,进而求得截止频率fc = 2.672 / (2 pi R C)。
例,电容C为 1uF,电阻R为 1k,通过计算截止频率为fc约为425Hz,通过Multisim的波特测试仪进行验证,在-3.001dB处,频率约为426Hz,仿真符合理论计算结果

AtomGit 是由开放原子开源基金会联合 CSDN 等生态伙伴共同推出的新一代开源与人工智能协作平台。平台坚持“开放、中立、公益”的理念,把代码托管、模型共享、数据集托管、智能体开发体验和算力服务整合在一起,为开发者提供从开发、训练到部署的一站式体验。
更多推荐


所有评论(0)